>高粘度・スラリーも。自吸式ケミカルポンプ
エアダイヤフラムポンプ
ケミカル液や高温の流体、高粘度・スラリー液の移送が可能なエア駆動ダイヤフラムポンプです。メカニカルシールの無い構造で、液漏れの心配がありません。




>エアダイヤフラムポンプ ADDシリーズ特徴
エアを動力とした自吸式ポンプです。腐食液への使用、空運転・閉塞運転も可能な使い勝手の良さで選ばれています。
粘度は20,000cp、スラリーは6mm径まで移送が可能です。温度はSUS仕様で100℃まで対応可能です。エア駆動式なので防爆エリアでも使用可能。PPやSUSをはじめ、PVDF材質もラインナップしており、耐腐食性も兼ね備えています。

自吸式で使い勝手が良い
- 最大8mの吸い上げが可能
- 万が一の空運転でも故障しません

高粘度・スラリー液移送可能
- 高粘度スラリー液の自吸が可能
- 高温流体の移送も可能

豊富なオプション
- 台車仕様
- 高消音サイレンサ/脈動減衰器など

カタログ・お問い合わせはコチラ

エアダイヤフラムポンプADDシリーズ 仕様・ラインナップ
主な用途:
■金属製エアダイヤフラムポンプ:有機溶剤・塗料・強アルカリ液や高温流体の移送
■樹脂製エアダイヤフラムポンプ:酸性/アルカリ性を問わずあらゆる腐食性液の移送
型式表記
| モデル名 | 口径(A) | 本体材質 | 接液部材質詳細※ |
| ADD | -15 -25 -40 -50 | -AL(アルミ) | -TST |
| -PP(PP) | -TPT | ||
| -LL(SUS316) | -TLT | ||
| -KY(PVDF) | -TKT |
※表記意味:T:PTFE S:SUS304 P:PP L:SUS316 K:PVDF
エアダイヤフラムポンプ 概略仕様
| 接続口径 | 最大吐出量 (L/min) | 最高吐出圧 (MPa) | 移送最大粒子径 (mm) | 最大自吸高さ(m) | エア接続 (入力側) | 最大エア消費量 (m3/min) | |
| ドライ | ウェット | ||||||
| 15 | 57 | 0.7 | 2.5 | 3 | 7.6 | PT1/4 | 0.79 |
| 25 | 157 | 0.7 | 4 | 4 | 8 | PT1/2 | 1.7 |
| 40 | 385 | 0.7 | 5 | 5 | 8 | PT1/2 | 3.5 |
| 50 | 587 | 0.7 | 6 | 5 | 8 | PT1/2 | 4.9 |
エアダイヤフラムポンプ オプション一覧
| 高消音サイレンサ仕様 | 台車仕様 | 脈動減衰器 |
| サイレンサを高消音対応に変更。消音効果:40dB(A)。 | 台車にアセンブリした状態で納品可能です。汎用台車はもちろん、SUS製で特注寸法台車も製作可能です。 | 設置するだけで脈動が減衰する減衰器をご用意しております。 |
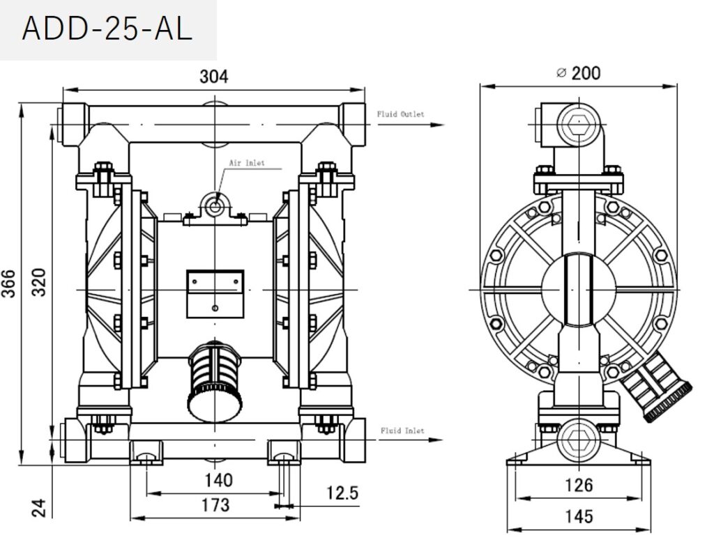
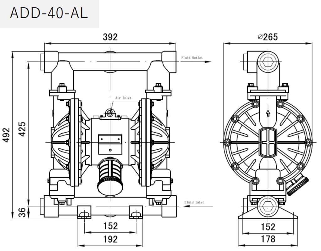
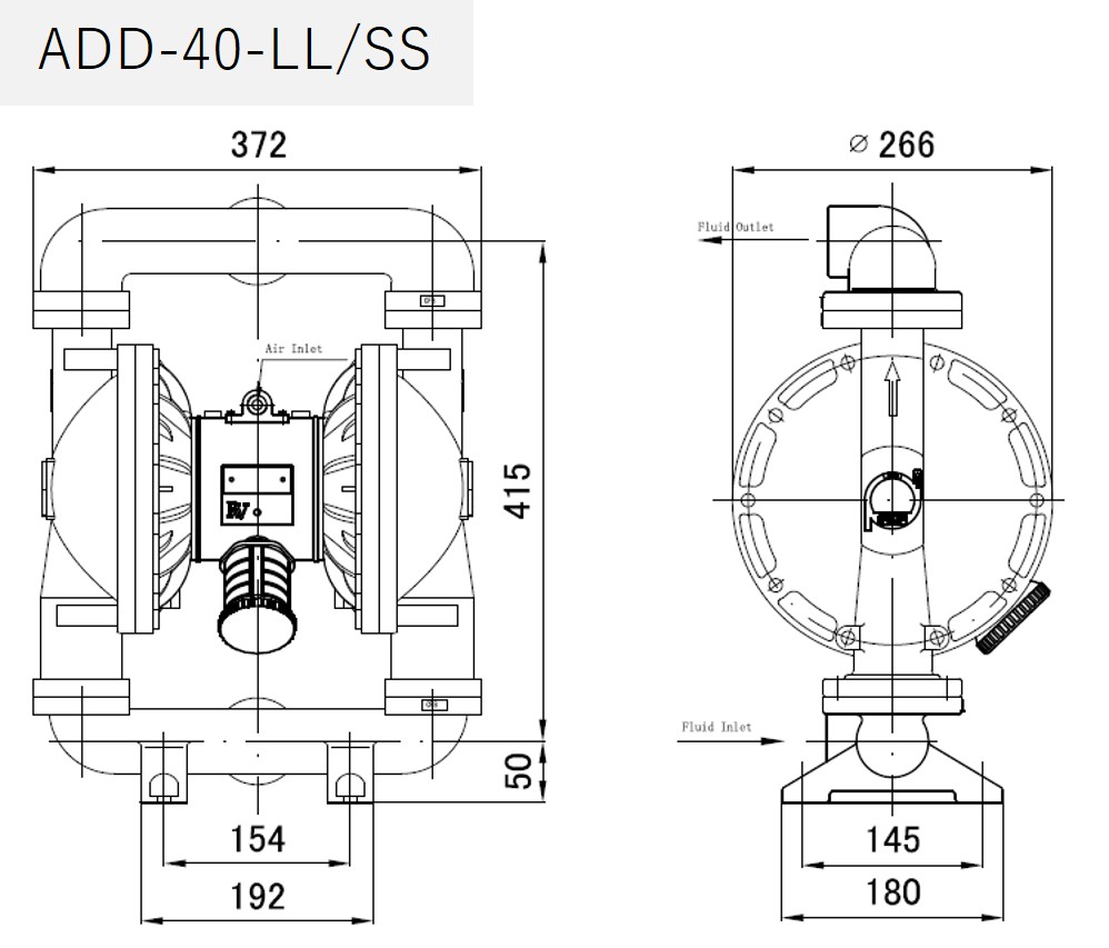
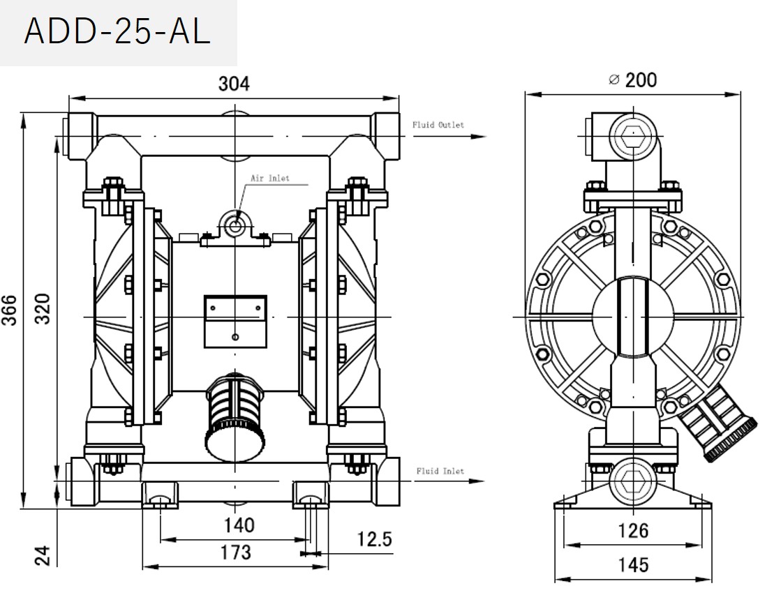
エアダイヤフラムポンプ ADDシリーズ外径寸法図
下記画像クリックで拡大します。






























※SS材質とLL材質は外観寸法は同じになります。
エアダイヤフラムポンプ 性能曲線図
クリックで画像拡大します。




エアダイヤフラムポンプ 標準付属部品
・標準サイレンサ・・・1個
・取扱説明案内(QRコード)・・・・・・・1枚
エアダイヤフラムポンプADDシリーズ|納入事例
エアダイヤフラムポンプ ADDシリーズ


納入事例|ADD型|高温スラリー混入粘度液(オイル)
納入:大手製鉄所J社 様用途:高温スラリー混入粘度液(オイル)の移送型式:エアーダイヤフラムポンプ ADD型 ギアポンプがすぐに壊れて困っている。 大手製鉄所J社様…
エアダイヤフラムポンプ ADDシリーズ


納入事例|ADD型|薬液注入工法での圧送
納入:関東T社 様用途:下水管工事での地盤への薬液注入機種:ADD-15-AL 小規模な下水管工事をもっと楽に! 関東地区のT社様より、「地中の止水を目的に行う薬液注入工…
エアダイヤフラムポンプ ADDシリーズ


納入事例|ADD型|2液を1台で移送
納入:関東T社 様用途:硬化剤A液B液の2液移送機種:ADD-15-AL(2液移送仕様) 種類の違う液を1台で送りたい! 関東地区のT社様より、「硬化剤A液B液を1台のポンプで移…
エアダイヤフラムポンプ ADDシリーズ


納入事例|ADD型|高粘度接着剤(50,000CP)の移送
納入:岐阜県ベニヤ加工工場 様用途:パネル用化粧紙の接着剤の移送機種:ADD-25-SS-TST 50,000CPの高粘度接着剤を移送 岐阜県の木材加工工場様より、高粘度液(接着…
エアダイヤフラムポンプ ADDシリーズ


納入事例|ADD型|ボンデ液(リン酸マンガン)の循環ろ過
納入:愛知県豊田市O社 様用途:ボンデ液(リン酸マンガン)の循環ろ過型式:エアーダイヤフラムポンプ ADD型(SUS弁座仕様) ボンデ液循環ろ過用ポンプの故障が多い…
エアダイヤフラムポンプ ADDシリーズ


納入事例|ADD型|防爆区域でのアドブルー(AdBlue®)移送
納入:某薬品工場 様用途:IBCタンクからアドブルー(AdBlue®)の移送型式:エアーダイヤフラムポンプ ADD型(IBC仕様) 防爆地域でも、アドブルー(AdBlue®)を短時…
エアダイヤフラムポンプ ADDシリーズ


納入事例|ADD型|セラミックスラリーの移送
納入:大手化学工場S社 様用途:セラミックスラリーの移送型式:エアーダイヤフラムポンプ ADD型 高粘度・スラリー液を自吸し圧送する! 大手化学工場S社様より、セラ…
エアダイヤフラムポンプ ADDシリーズ


納入事例|ADD型|10,000mpa・s 高粘度塗料の移送
納入:塗料メーカー様用途:高粘度塗料のポンプからの横引き・圧送型式:ADD-15-SS(エアダイヤフラムポンプ) 塗料粘度10,000CPを3m横引き(吸い込み) 大手塗料メー…
エアダイヤフラムポンプ ADDシリーズ


納入事例|ADD型|コンプレッサー付き台車ユニット
納入:某化学工場様用途:港から船舶への尿素水移送型式:ADD-40-PP(エアダイヤフラムポンプ)+コンプレッサユニット 尿素水を大容量かつ30m先へ移送 大手化学工場様…
エアダイヤフラムポンプ ADDシリーズ


納入事例|ADD型|3000cp粘度液をドラム缶から移送
納入:製鉄会社 様用途:高粘度塗料をドラム缶から移送型式:ADD-25-AL(エアダイヤフラムポンプ) 他社製ではすぐに停止する 北海道の製鉄会社様より、「Y社製のエア…
エアダイヤフラムポンプ よくあるご質問
- 高温流体の自吸は可能ですか?
-
その流体の沸点により可否が変わります。流体の内容や温度、自吸したい高さをご連絡下さい。
- エアダイヤフラムポンプの修理対応は可能ですか?
-
可能です。弊社にお送り頂き、御見積とさせて頂いております。
- 修理しない場合に何か費用はかかりますか?
-
修理しない場合の費用は発生しません。処分費、調査費なども発生しません。
- エアダイヤフラムポンプには消耗部品はありますか?
-
ダイヤフラムやパッキン、ボールなどが該当します。消耗品単品でも販売可能です。
- エアダイヤフラムポンプで移送する際、脈動や振動はありますか?
-
ダイヤフラムの往復動で移送しますので、脈動や振動がございます。もし脈動や振動を嫌う現場の場合、オプションの脈動減衰器の設置を推奨しております。
- 100Vのコンプレッサーでエアダイヤフラムポンプは使用可能ですか?
-
15A口径の機種でしたら使用可能ですが、お使いの条件によりますので、一度お問い合わせください。




コメント